您好,欢迎进入深圳市闪创智能科技有限公司官网!

深圳市闪创智能科技有限公司

一站式防爆监控产品提供商

提供专业定制、设计、生产、销售、售后服务一条龙服务

137 2375 1150
深圳市闪创智能科技有限公司

案例展示

最新资讯
联系我们

深圳市闪创智能科技有限公司
联系人:赵先生
手机: 137 2375 1150
电话: 0755-83342968
地址:深圳市龙岗区布吉街道茂业社区茂业城怡丰楼1、2单元

设计案例展示
您的位置: 首页 > 案例展示 > 设计案例展示
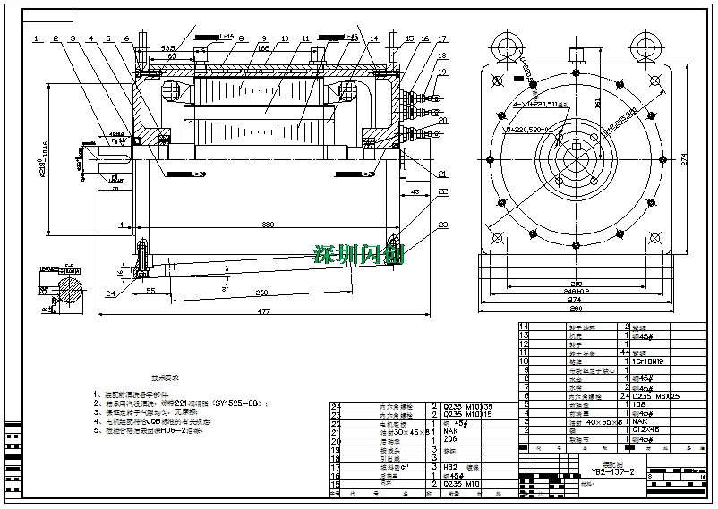
防爆感应电动机设计
发布时间:2021-02-28浏览次数:2354

20198月为泰州微特利电机制造有限公司设计并完成取证的防爆感应电动机

图片1.png


你觉得这篇文章怎么样?

0 0
标签:全部
网友评论

管理员

该内容暂无评论

局域网网友
在线客服
热线电话
137 2375 1150
0755-83342968
深圳市闪创智能科技有限公司微信扫一扫